首页
产品中心
▼
液压马达系列
铣挖机系列
液压配件系列
新品展示
行业应用
▼
工程机械
农业机械
煤矿机械
船舶机械
工业应用
环保机械
林业应用
其他应用
公司介绍
▼
企业简介
发展历程
企业文化
恒通品质
办公环境
资质认证
人才引进
新闻中心
▼
展会动态
企业动态
客户支持
▼
常见问题
联系方式
样册下载
+86-574-86361036
EN
产品中心
液压马达系列
HMS系列
HMK系列
HMHP系列
HMF系列
HMCR系列
铣挖机系列
HDC系列
HTC系列
液压配件系列
HMS
HMCR
其他
新品展示
HMS
HMCR
液压马达系列
>
HMS系列
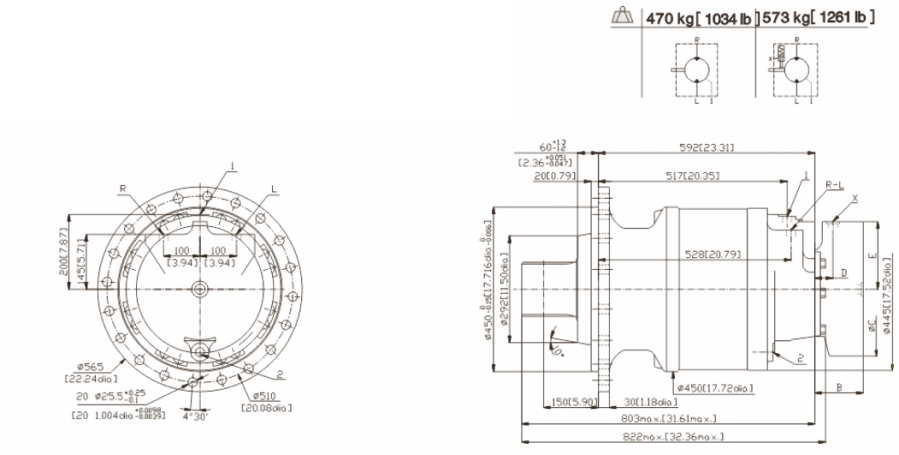
> HMS125
HMS125
公司产品广泛应用于船舶、矿山机械、工程机械、农业机械、森林机械等。
产品选型
外形尺寸
排量图
产品应用
工程机械:盾构机,斗轮机,石油钻井设备
矿山机械:重载搬运车,煤矿钻机。