液压马达系列 > HMS系列 > HMS83

HMS83

公司产品广泛应用于船舶、矿山机械、工程机械、农业机械、森林机械等。

  • 产品选型
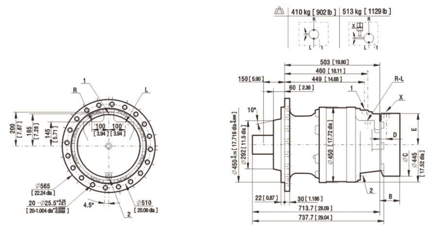
  • 外形尺寸
  • 排量图
  • 产品应用

    hms35--25jpg.jpg

    hms35--18pg.jpg

    hms35--19pg.jpg

    工程机械 : 盾构机,斗轮机,石油钻井设备,锻造操作机,

    矿山机械: 重 运车,煤矿钻机,

    船舶机械(甲板机械): 船用甲板吊机,港口起吊设备。

     hms35--21pg.jpg     hms35--22pg.jpg