液压马达系列 > HMS系列 > HMS25

HMS25

公司产品广泛应用于船舶、矿山机械、工程机械、农业机械、森林机械等.

  • 产品选型
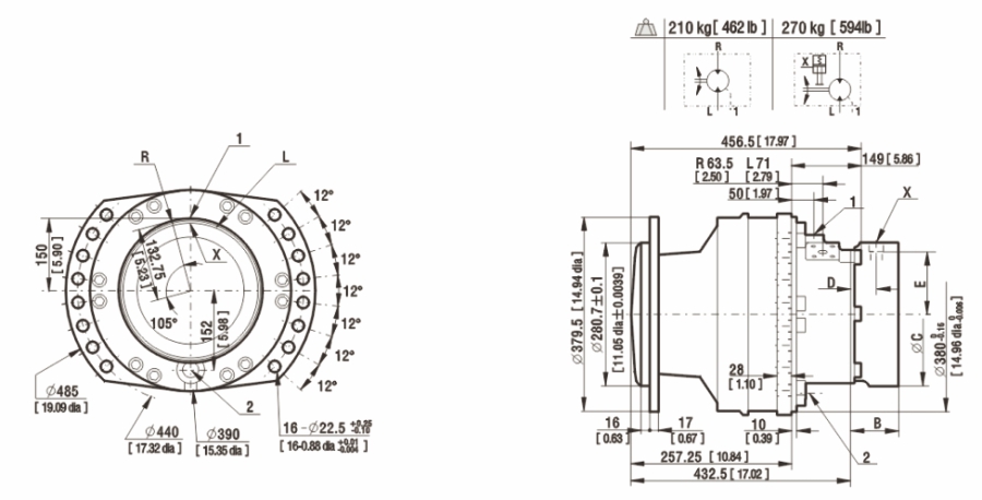
  • 外形尺寸
  • 排量图
  • 产品应用

    86 拷贝.jpg


    79.jpg

    80.jpg

    工程机械:水平定钻,固钻机,10T压路机(MK系列),水搅拌机,锻造操作机,

    船舶机械( 甲板机械):锚绞机 ,克令吊,

    矿山机械:掘进机,重搬运车,煤矿钻机。

    1.jpg       2.jpg